E-mailE-mail: sales@tecovalve.com MobileMobile: +86-18303691186

If you have any questions, please contact us.

Get in touch
You are here:Home / Y Strainer
DIN Y Strainer

Category: Y Strainer

DIN Y Strainer

Model:GL41H-16 Working pressure :PN16 Working temperature:≤150°C Nominal size:DN 15-500 End connection:Double Flange
Introduction

DIN Y Strainer Specifications

Model:GL41H-16

Working pressure :PN16

Working temperature:≤150°C

Nominal size:DN 15-500

End connection:Double Flange

Design standard:DIN3352

Face to face:DIN3202 F1

Flange drilling:DIN EN1092-2

Inspection and test:DIN EN12266-1

Body material:Cast iron, GG25

Body coating:Epoxy

Disc material:Cast iron, GG25

Seat:Brass, Cr13

Actuator:Handwheel

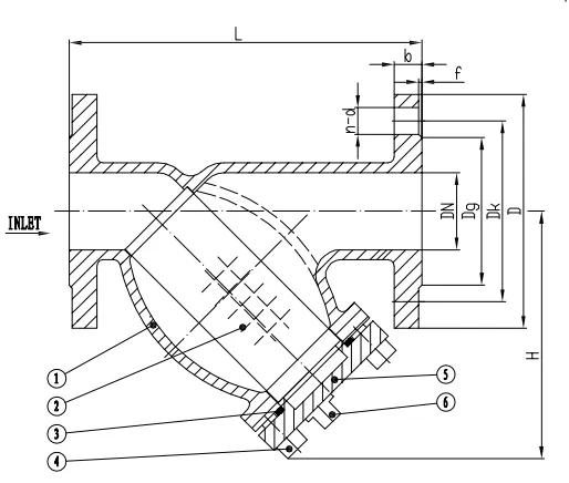
Technical Drawing


Dimensions

Technical Parameters DIN PN16

DN

L

Dg

Dk

D

n-d

b

f

40

200

84

110

150

4-Φ19

19

3

50

230

99

125

165

4-Φ19

20

3

65

290

118

145

185

4-Φ19

20

3

85

310

132

160

200

8-Φ19

22

3

100

350

156

180

220

8-Φ19

24

3

125

400

184

210

250

8-Φ19

26

3

150

480

211

240

285

8-Φ23

26

3

200

600

266

295

340

12-Φ23

30

3

250

730

319

355

405

12-Φ28

32

3

300

850

370

410

460

12-Φ28

32

4



Related products